Page 3 sur 4
Re: Série 91 en 3D
Publié : 22 mai 2015, 10:09
par JEPE
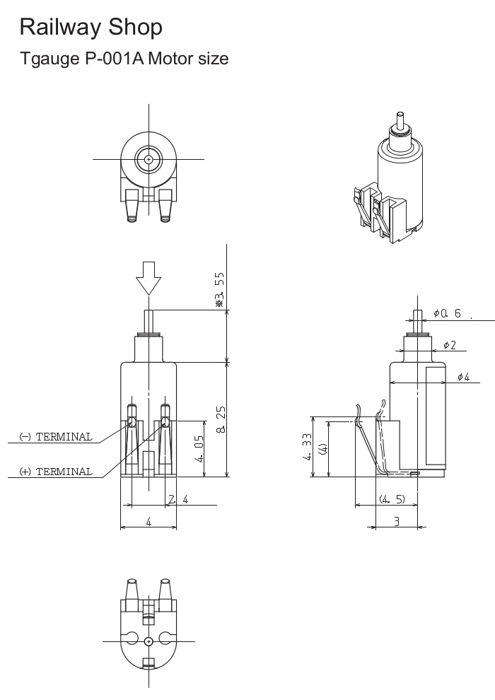
J'ai trouvé les dimensions (en mm) du moteur actionnant les locos au 1/450.

- Moteur P-001A.jpg (59.73 Kio) Consulté 5712 fois
Voici le site internet de la marque :
http://www.trainaidsa.com/catalog/produ ... cts_id=203" onclick="window.open(this.href);return false;
Publié : 22 mai 2015, 12:01
par Philippe
Merci pour l'info Jepe, mais ce moteur sera-t-il suffisamment puissant ? Cela me semble tellement petit.
Re: Série 91 en 3D
Publié : 22 mai 2015, 17:23
par Guytoonet
Merci pour le lien, Jean-Paul!
Il y a plein de petites choses intéressantes, sur ce site.
G.
Re:
Publié : 22 mai 2015, 18:19
par JEPE
Philippe a écrit :Merci pour l'info Jepe, mais ce moteur sera-t-il suffisamment puissant ? Cela me semble tellement petit.
En principe le locotracteur n'est pas destiné à tracter des wagons, donc avec une démultiplication adéquate cela devrait aller.
Le tout est aussi de faire passer la traction du moteur vers les roues

, et aussi de digitaliser l'engin

!
Publié : 22 mai 2015, 18:29
par hervestibamfb
oufti superbe juste une question vous utiliser quelle programme pour dessiner pour ma part je dessine avec freecad et je débute a tâtons
Re: Re:
Publié : 22 mai 2015, 18:55
par Guytoonet
JEPE a écrit :
Le tout est aussi de faire passer la traction du moteur vers les roues

, et aussi de digitaliser l'engin

!
J'ai pas mal de petites moteurs, récupérés sur du matériel vidéo ou HiFi, avant que ça passe à la casse.
Mais l'idéal est de trouver une solution, qui puisse être utile à tout le monde.
Ensuite, une fraiseuse Proxxon, pour réaliser le châssis de traction

Publié : 22 mai 2015, 21:13
par MARC
Bonsoir sur les vieux gsm il y avais un moteur pour le vibreur;dessus il suffit de démonter le poids mais la tension risque d’être faible ...
Re:
Publié : 22 mai 2015, 21:34
par thierry
MARC a écrit :Bonsoir sur les vieux gsm il y avais un moteur pour le vibreur;dessus il suffit de démonter le poids mais la tension risque d’être faible ...
en effet, la plupart de ces moteur travail en dessous de 1.5V mais leur couple est très faible
par contre le faible encombrement est hallucinant, j'en ai récupéré qui faisait 2mm de diamètre
Publié : 22 mai 2015, 22:07
par MARC
Bonsoir chez micro model il y a ça aussi ..
http://www.micro-modele.fr/index.php?op ... 19&lang=fr" onclick="window.open(this.href);return false;
Re: Re:
Publié : 23 mai 2015, 08:14
par JEPE
Guytoonet a écrit :
Mais l'idéal est de trouver une solution, qui puisse être utile à tout le monde.
Merci de penser aux autres Guy

.
En effet une
bonne solution est une solution valable pour tous.
Les moteurs de chez "Micro-Modele" sont pas mal.
Seul inconvénient ils tournent tous très vite (16.000 rpm).
Trouver peut-être un système avec une vis sans fin

.