Page 5 sur 12
Re: signaux SNCB échelle N
Publié : 31 oct. 2014, 17:47
par Guytoonet
Hello Chief
Je me suis même laissé tenter par une led 603 qui est d’une taille inférieure à la petite 805. Soudure sans problème. Il s’agit de la dernière petite blanche à droite sur la photo.
Tu es quand même un grand malade
Puisque tu aimes ce genre de sport à haut risque, tu trouveras des 603 (pré-câblées),
Chez
CDF-informatique (mauves) ou
chez Denis (violet).
Pour info à tous, CDF sera à Cergy, il suffit de commander en demandant livraison à l'expo.
La patronne est très commerçante et accepte parfois le payement à l'enlèvement.
Re: signaux SNCB échelle N
Publié : 31 oct. 2014, 19:39
par Andre
Souder des 603

faut le faire vu la taille de ces minuscules LED.
Re: signaux SNCB échelle N
Publié : 31 oct. 2014, 19:46
par Guytoonet
Andre a écrit :Souder des 603

faut le faire vu la taille de ces minuscules LED.
Oui mais avec
un vrai fer à souder, c'est déjà moins compliqué, pour le Roi de la soudure
M'ssieur Oups, tu as pensé à prendre de la soudure de 0.5???

Publié : 31 oct. 2014, 21:09
par PhilB47
Bonsoir,
Merci pour ces présentations. De très bonnes explications, très faciles à comprendre en plus. Merci beaucoup.
Phil.
Publié : 31 oct. 2014, 21:33
par Philippe
Très bon tutoriel, avec plein de bonnes explications. Merci.
Re:
Publié : 01 nov. 2014, 09:24
par christiandard
oups65 a écrit :Non résolu pour le moment.
pour mes signaux simplifiés, je recherche des leds CMS 805 de couleur violette ( 380 à 450nm). Dons pas des UV ( < 380nm) ni des bleues ( > à 450nm).
je peux toujours en désespoir de cause prendre des blanches et y poser de la peinture pour vitrail.
Qui aurait une piste ?
merci
Aucune idée.
Question : quelle dimensions faut-il prévoir pour placer des leds 805 sans problèmes.
Je suppose que si on est trop juste ça ne passe pas...
Je suis occupé de travailler sur le modèle 4001-4007 et je vais essayer de prévoir la place pour les feux.
Je vais essayer de passer à Templeuve cet après midi.
Ch.
Re: signaux SNCB échelle N
Publié : 01 nov. 2014, 09:39
par Andre
Pas de réunion à Templeuve cet après-midi, fermé suite à la Toussaint.
Un bouquin à été consacré à l'AR 40 par Th. NICOLAS aux éditions "Transnico Internationl Editions".
Il semble qu'il soit en vente auprès de MSM. Peut-être également au Shop du PFT ?
Selon un ancien cheminot, l'AR (à l'état d'épave) qui se trouve à St Ghislain serait un proto avec les flancs striés.
Confirmation que la voiture intermédiaire est bien sur une base de M3.
C'est tout ce que j'ai pour l'instant comme info;
A.
Re: signaux SNCB échelle N
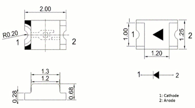
Publié : 02 nov. 2014, 12:29
par oups65

- LED PLAN.jpg (56.21 Kio) Consulté 7597 fois
j'ai ajouté 0,2mm à chaque cotes.
Attention que Led1 et TME fournissent des leds comformes au plan ci-dessus (805 type "B").
Led-Magashop livre des leds de 1mm de hauteur (805 type "C").
après quelques recherches, j'ai découvert qu'il existe effectivement en standard 3 hauteurs différentes.
pour éviter tout souci, j'ai tenu compte de la plus haute, soit 1mm
Publié : 02 nov. 2014, 12:49
par christiandard
Merci oups pour les précisions.
Ch.
Publié : 28 févr. 2015, 10:09
par lecomte
Ou en ai tu avec ses signaux????